Fuel Line Mcculloch Chainsaw . Web so, i wanted to try and repair my mcculloch power mac 6 with standard fuel line parts, rather than the rubber bulb. Web this is a short slideshow video showing how to replace worn/broken fuel lines in a mcculloch chainsaw (mac 3516). Web fuel filter is loose in tank. Remove the air filter cover. Web if your chainsaw doesn't start even though it has plenty of gas, the engine might not be getting fuel because a fuel line is clogged or. This is just a general. 32cc, 35cc and 38cc gasoline powered anti. Buyer protection programbuy it now available Web view and download mcculloch ms1635av illustrated parts list online. Chainsaw bogs at anything but idle. Disconnect the fuel line from the carburetor.
from mungfali.com
Buyer protection programbuy it now available Web this is a short slideshow video showing how to replace worn/broken fuel lines in a mcculloch chainsaw (mac 3516). Web if your chainsaw doesn't start even though it has plenty of gas, the engine might not be getting fuel because a fuel line is clogged or. Web so, i wanted to try and repair my mcculloch power mac 6 with standard fuel line parts, rather than the rubber bulb. 32cc, 35cc and 38cc gasoline powered anti. Web view and download mcculloch ms1635av illustrated parts list online. Chainsaw bogs at anything but idle. Disconnect the fuel line from the carburetor. Remove the air filter cover. Web fuel filter is loose in tank.
McCulloch Chainsaw Fuel Line Routing Diagram
Fuel Line Mcculloch Chainsaw This is just a general. Web so, i wanted to try and repair my mcculloch power mac 6 with standard fuel line parts, rather than the rubber bulb. Remove the air filter cover. Disconnect the fuel line from the carburetor. Web fuel filter is loose in tank. Web if your chainsaw doesn't start even though it has plenty of gas, the engine might not be getting fuel because a fuel line is clogged or. This is just a general. Chainsaw bogs at anything but idle. Web view and download mcculloch ms1635av illustrated parts list online. Web this is a short slideshow video showing how to replace worn/broken fuel lines in a mcculloch chainsaw (mac 3516). Buyer protection programbuy it now available 32cc, 35cc and 38cc gasoline powered anti.
From akita-mitsubishi.co.jp
Outdoor Power Equipment For Air Fuel Filter Gas Fuel Line Mcculloch Fuel Line Mcculloch Chainsaw Web fuel filter is loose in tank. Web if your chainsaw doesn't start even though it has plenty of gas, the engine might not be getting fuel because a fuel line is clogged or. Disconnect the fuel line from the carburetor. Remove the air filter cover. Web so, i wanted to try and repair my mcculloch power mac 6 with. Fuel Line Mcculloch Chainsaw.
From store.chainsawr.com
McCulloch Chainsaw Molded Fuel line 215708 NEW Chainsawr Fuel Line Mcculloch Chainsaw This is just a general. Disconnect the fuel line from the carburetor. Chainsaw bogs at anything but idle. Remove the air filter cover. Web fuel filter is loose in tank. Web if your chainsaw doesn't start even though it has plenty of gas, the engine might not be getting fuel because a fuel line is clogged or. Buyer protection programbuy. Fuel Line Mcculloch Chainsaw.
From mungfali.com
McCulloch Chainsaw Fuel Line Routing Diagram Fuel Line Mcculloch Chainsaw Buyer protection programbuy it now available Remove the air filter cover. This is just a general. Web so, i wanted to try and repair my mcculloch power mac 6 with standard fuel line parts, rather than the rubber bulb. Web fuel filter is loose in tank. Web view and download mcculloch ms1635av illustrated parts list online. Chainsaw bogs at anything. Fuel Line Mcculloch Chainsaw.
From mungfali.com
McCulloch Chainsaw Fuel Line Routing Diagram Fuel Line Mcculloch Chainsaw Web so, i wanted to try and repair my mcculloch power mac 6 with standard fuel line parts, rather than the rubber bulb. Chainsaw bogs at anything but idle. Disconnect the fuel line from the carburetor. Web fuel filter is loose in tank. Web this is a short slideshow video showing how to replace worn/broken fuel lines in a mcculloch. Fuel Line Mcculloch Chainsaw.
From chainsawr.com
Mcculloch Mac 250 Chainsaw Fuel Lines Fuel Line Mcculloch Chainsaw 32cc, 35cc and 38cc gasoline powered anti. Buyer protection programbuy it now available Web if your chainsaw doesn't start even though it has plenty of gas, the engine might not be getting fuel because a fuel line is clogged or. Disconnect the fuel line from the carburetor. This is just a general. Remove the air filter cover. Web this is. Fuel Line Mcculloch Chainsaw.
From wiringguideunhusk.z13.web.core.windows.net
Mcculloch Chainsaw Fuel Line Routing Diagram Fuel Line Mcculloch Chainsaw Web so, i wanted to try and repair my mcculloch power mac 6 with standard fuel line parts, rather than the rubber bulb. Web fuel filter is loose in tank. Web if your chainsaw doesn't start even though it has plenty of gas, the engine might not be getting fuel because a fuel line is clogged or. Web view and. Fuel Line Mcculloch Chainsaw.
From www.youtube.com
Replacing Fuel lines on a McCulloch chainsaw YouTube Fuel Line Mcculloch Chainsaw 32cc, 35cc and 38cc gasoline powered anti. Chainsaw bogs at anything but idle. Remove the air filter cover. Disconnect the fuel line from the carburetor. Buyer protection programbuy it now available Web if your chainsaw doesn't start even though it has plenty of gas, the engine might not be getting fuel because a fuel line is clogged or. Web fuel. Fuel Line Mcculloch Chainsaw.
From wiringguideunhusk.z13.web.core.windows.net
Mcculloch 335 Chainsaw Fuel Line Diagram Fuel Line Mcculloch Chainsaw Remove the air filter cover. Web if your chainsaw doesn't start even though it has plenty of gas, the engine might not be getting fuel because a fuel line is clogged or. 32cc, 35cc and 38cc gasoline powered anti. Chainsaw bogs at anything but idle. Web fuel filter is loose in tank. Disconnect the fuel line from the carburetor. This. Fuel Line Mcculloch Chainsaw.
From www.youtube.com
Chainsaw hero How to install fuel lines On a Partner 351 / 370 Chainsaw Fuel Line Mcculloch Chainsaw Buyer protection programbuy it now available Web if your chainsaw doesn't start even though it has plenty of gas, the engine might not be getting fuel because a fuel line is clogged or. Chainsaw bogs at anything but idle. Remove the air filter cover. Web view and download mcculloch ms1635av illustrated parts list online. 32cc, 35cc and 38cc gasoline powered. Fuel Line Mcculloch Chainsaw.
From wiringdatabaseinfo.blogspot.com
Mcculloch Chainsaw Fuel Line Diagram Wiring Site Resource Fuel Line Mcculloch Chainsaw Web so, i wanted to try and repair my mcculloch power mac 6 with standard fuel line parts, rather than the rubber bulb. Web if your chainsaw doesn't start even though it has plenty of gas, the engine might not be getting fuel because a fuel line is clogged or. 32cc, 35cc and 38cc gasoline powered anti. This is just. Fuel Line Mcculloch Chainsaw.
From schematron.org
Mcculloch Chainsaw Fuel Line Diagram Wiring Diagram Pictures Fuel Line Mcculloch Chainsaw Web view and download mcculloch ms1635av illustrated parts list online. Web this is a short slideshow video showing how to replace worn/broken fuel lines in a mcculloch chainsaw (mac 3516). Chainsaw bogs at anything but idle. 32cc, 35cc and 38cc gasoline powered anti. Disconnect the fuel line from the carburetor. Remove the air filter cover. Web fuel filter is loose. Fuel Line Mcculloch Chainsaw.
From mungfali.com
McCulloch Chainsaw Fuel Line Routing Diagram Fuel Line Mcculloch Chainsaw Disconnect the fuel line from the carburetor. Web so, i wanted to try and repair my mcculloch power mac 6 with standard fuel line parts, rather than the rubber bulb. 32cc, 35cc and 38cc gasoline powered anti. Remove the air filter cover. Web fuel filter is loose in tank. Web if your chainsaw doesn't start even though it has plenty. Fuel Line Mcculloch Chainsaw.
From wirelisttraditors.z19.web.core.windows.net
Chainsaw Fuel Line Diagram Fuel Line Mcculloch Chainsaw Web so, i wanted to try and repair my mcculloch power mac 6 with standard fuel line parts, rather than the rubber bulb. Web if your chainsaw doesn't start even though it has plenty of gas, the engine might not be getting fuel because a fuel line is clogged or. This is just a general. Web fuel filter is loose. Fuel Line Mcculloch Chainsaw.
From schematron.org
Mcculloch Chainsaw Fuel Line Diagram Wiring Diagram Pictures Fuel Line Mcculloch Chainsaw Remove the air filter cover. Web this is a short slideshow video showing how to replace worn/broken fuel lines in a mcculloch chainsaw (mac 3516). Chainsaw bogs at anything but idle. Buyer protection programbuy it now available Web so, i wanted to try and repair my mcculloch power mac 6 with standard fuel line parts, rather than the rubber bulb.. Fuel Line Mcculloch Chainsaw.
From partsdiagram.netlify.app
Mcculloch 3200 chainsaw parts diagram Fuel Line Mcculloch Chainsaw Web if your chainsaw doesn't start even though it has plenty of gas, the engine might not be getting fuel because a fuel line is clogged or. Buyer protection programbuy it now available Web fuel filter is loose in tank. Web view and download mcculloch ms1635av illustrated parts list online. Web so, i wanted to try and repair my mcculloch. Fuel Line Mcculloch Chainsaw.
From mungfali.com
McCulloch Chainsaw Fuel Line Routing Diagram Fuel Line Mcculloch Chainsaw This is just a general. Web if your chainsaw doesn't start even though it has plenty of gas, the engine might not be getting fuel because a fuel line is clogged or. Web so, i wanted to try and repair my mcculloch power mac 6 with standard fuel line parts, rather than the rubber bulb. 32cc, 35cc and 38cc gasoline. Fuel Line Mcculloch Chainsaw.
From schematron.org
Mcculloch Chainsaw Fuel Line Diagram Wiring Diagram Pictures Fuel Line Mcculloch Chainsaw Web view and download mcculloch ms1635av illustrated parts list online. Web fuel filter is loose in tank. Chainsaw bogs at anything but idle. Buyer protection programbuy it now available This is just a general. Remove the air filter cover. Web if your chainsaw doesn't start even though it has plenty of gas, the engine might not be getting fuel because. Fuel Line Mcculloch Chainsaw.
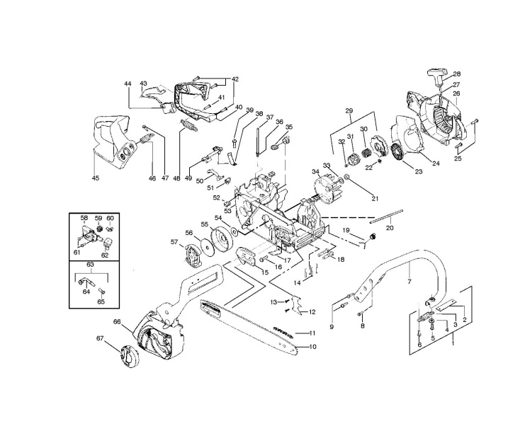
From www.partstree.com
McCulloch MS 1432 NAV (41AY42NQ077) McCulloch Chainsaw (20032007 Fuel Line Mcculloch Chainsaw Web so, i wanted to try and repair my mcculloch power mac 6 with standard fuel line parts, rather than the rubber bulb. This is just a general. Web this is a short slideshow video showing how to replace worn/broken fuel lines in a mcculloch chainsaw (mac 3516). Web fuel filter is loose in tank. Web if your chainsaw doesn't. Fuel Line Mcculloch Chainsaw.